Buck变换器的EMC分析
摘要:通过对Buck变换器电路的EMC分析,说明了电磁兼容中滤波、接地、缓冲以及合理的PCB设计等技术在开关电源中的应用。
关键词:开关电源;电磁兼容;电磁骚扰;电磁干扰;耦合通道
0 引言
开关电源通过改变开关器件的导通比来有效地控制输出电压和电流的大小。通常它在几十kHz以上的开关频率下工作,当开关导通时,它将流过浪涌电流Cdv/dt;当开关断开时,其两端将会产生浪涌电压Ldi/dt,形成较强的电磁骚扰源。随着半导体开关器件的不断发展,开关频率将提高到MHz数量级,使电磁骚扰更加严重。因此,必须采用相应的措施,加强开关电源的电磁兼容性(EMC)。
电磁兼容性是指在不损失有用信号所包含信息的条件下,信息和干扰共存的能力。电力电子装置在其使用环境下,承受来自外部电磁干扰的同时也向周围环境释放干扰。在设计制造电力电子装置时,应考虑到电力电子装置在工作时所产生的电磁骚扰不对在同一环境中工作的其它电子设备的运行产生不良影响,同时来自外部环境的电磁干扰又不会影响电力电子装置的工作。
1 Buck系统的电磁干扰
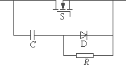
以下结合Buck变换器来具体讨论电磁干扰产生的原因和条件,从而找出抑制和消除的方法。图1是Buck变换器的原理结构图。
图1 Buck原理结构图
主电路主要由功率开关管S、肖特基二极管D、滤波电容C、电感L、阻性负载Ro以及无感采样电阻RL组成。此电路的基本参数是输入端为36V铅酸蓄电池,输出要求为10A恒流,开关频率为50kHz。控制芯片采用SG3525,驱动芯片采用TLP250。辅助电源采用反激。主电路选择合适的闭环参数是重要的一步,合适的闭环参数可以使电路稳定,产生较小的EMD。
图2是该系统的电磁兼容性示意图,结合此图分析系统所处的电磁环境及其相互作用的情况。显然,电磁干扰既可发生在系统内部,又有可能发生在系统之间。

图2 系统的电磁兼容性示意图
从图2中可以看出,任何一种EMI均由三部分组成:骚扰源、耦合路径和受扰体。骚扰源产生的干扰经耦合途径进入受扰体,若干扰水平超出受扰体的敏感程度就会影响其正常工作而构成干扰。与数字电路相比,由于开关电源功率开关管的高速开关动作,它产生的干扰强度较大;骚扰源主要集中在功率开关器件以及与之相连的高频变压器上;开关频率不高,主要干扰形式是传导干扰和近场干扰。一般解决EMD针对3方面:抑制骚扰源、切断干扰途径和提高受扰体的抗干扰能力。
由此可知Buck的主要骚扰源是开关管和功率二极管。由于开关频率较高,传输的能量又大,故在开关过程中会产生很高的毛刺。
由于设计的开关电源的几何尺寸远小于30MHz电磁场对应的波长,因此,电磁干扰主要考虑的是传导干扰。MOSFET在开关过程中产生的电压尖峰和振荡主要通过导线寄生电感和寄生电容干扰受扰体,开关过程越快,尖峰越高,振荡越明显,干扰越强。
2 电磁干扰的抑制措施
主要从滤波、接地、吸收、PCB布板几个方面进行分析和设计。
2.1 滤波
由于电池存在一定的内阻抗,再加上入端引线上的寄生电感和内阻,将在输入端引起一系列的高频纹波。为了使输入端成为满足要求的恒压源,需在电路进线端加上EMI滤波器,既抑制了外界对电路的干扰,也阻止了电路对电池的干扰。通常,在入端并联电解电容和滤高频纹波的电容。电解电容主要滤低频纹波,滤高频纹波的电容采用CBB电容。
由于输出端对电流波形的要求,必须减小输出纹波的大小,因此,也需要在输出端并联大容量的电解电容和较大容量的滤高频纹波的CBB电容。
另外,需要对集成芯片的去耦滤波电容进行科学的配置。每块集成芯片都接有去耦滤波电容器,在每次开关过程中都重新充电,以便为芯片供电,去耦电容器的取值一般在470pF~1000pF,采用瓷片或者是CBB电容,用于滤除高次纹波。去耦滤波电容器必须紧靠集成电路安装,力求最短的电容器引线和最小的瞬态电流回路面积。同时要在整个集成芯片的PCB板上放置总体去耦电容器,由电源来对它充电,并应安装在电源母线进入PCB板的地方。
系统中最易受干扰的是电流采样电阻,而采样电流的精度将直接影响电路的输出指标。采样电流的波形如图3所示。由于采样电阻受到开关管导通和关断的干扰,所以,需要对采样电阻上的信号进行滤波,此电路中利用的RC二阶无源滤波,电路如下图4所示。
图3 采样电流波形
图4 二阶RC无源滤波电路
2.2 接地
一个系统的接地主要有安全地、信号地、机壳地和屏蔽地。这里只讨论本系统的公共地的连接方法。
1)接地系统须具有很低的公共阻抗,使系统中各路电流,通过该公共阻抗产生的直接传导噪声电压最小。
2)在高频电流的场合,保证“信号地”对“大地”有较低的共模电压,使通过“信号地”产生的辐射噪音最低。
3)保证地线与信号线构成的电流回路具有最小的面积,避免由地线构成“地回路”,使外界干扰磁场穿过该回路产生的差模干扰电压最小,同时,也避免由地电位差通过地回路引起过大的地电流,造成传导干扰。
本系统中采用混合接地和浮空接地方式。主功率采用浮地方式,以便减小公共阻抗和大电流的通过。控制系统内部先串联接地,然后再单点与主功率地连接。驱动电路则采用光耦隔离技术来驱动开关管的导通和关断。
2.3 缓冲
在采用了以上措施后,发现MOSFET的开关过程中毛刺仍然较高,这是由于电路中流过的电流比较大,很小的寄生电感也能引起很大的毛刺。
缓冲电路的目的是对开关管产生的瞬态噪声进行抑制。采用的是在开关管两端并上R—C—D网络进行抑制,它可以减缓开关管的漏极和源极之间的电压上升率,如图5所示。

图5 R—C—D吸收电路
通过给开关管加缓冲电路后,可以得到比较理想的开关波形,如图6所示。
图6 开关管vDS波形
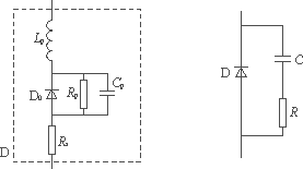
在关断过程中由于功率二极管会有反向恢复,这是一个重要的骚扰源。
RC缓冲电路是解决功率二极管反向恢复问题的常用方法。在高频下工作的功率二极管,要考虑寄生参数。图7(a)为电路模型,其中D0为理想二极管,Lp为引线电感,Cp为结电容,Rp为并联电阻(高阻值),Rs为引线电阻。如图7(b)所示,将电容C和电阻R串联后并联到功率二极管D上。二极管反向关断时,寄生电感中的能量对寄生电容充电,同时还通过缓冲电阻R对缓冲电容C充电。在同样能量的情况下,缓冲电容越大,其上的电压就越小;当二极管正向导通时,C通过R放电,能量绝大部分在R上消耗。
(a)等效模型 (b)RC缓冲电路
图7 功率二极管等效模型及RC缓冲电路
通过在功率二极管上并R—C缓冲电路后,可以得到比较理想的开通和反向关断波形,如图8所示。
图8 功率二极管上的波形
2.4 PCB布板
印刷电路板上元器件的放置和布线设计对开关电源EMC性能有极大的影响,在高频开关电源中,由于印刷板上既有低电平的小信号控制线,又有高压大电流电源线,同时还有一些高频功率开关、磁性元件。如何在印刷板有限的空间内合理地安排元器件位置,以及合理地布线将直接影响到电路中各元器件自身的抗干扰性和电路工作的可靠性。
通过分析印刷导线的特性阻抗,合理地选取布线的放置方式、长度、宽度以及总体布局。单根导线的特性阻抗由直流电阻R和自感L组成。
Z=R+jωL(1)
L=2lln(2)
式中:l为印刷导线的长度;
b为印刷导线的宽度。
可以看出印刷线l越短,直流电阻R越小,自感L也就越小;同时增加印刷线的宽度也可以降低直流电阻R和自感L。
多根印刷线的特性阻抗除了直流电阻R和自感L以外,还有互感M。
M=2l(3)
式中:s为两线之间的距离。
由以上分析可知,在设计印刷电路板时,应尽量降低电源线和地线的阻抗。因电源线、地线和其它印刷线都有电感,当电源电流变化较大时,会产生较大压降,而地线压降是形成公共阻抗干扰的重要因素,所以应尽量缩短地线,尽量加宽电源线和地线。
直流供电系统的实际等效电路如图9所示。

图9 直流供电系统等效电路
直流供电电路中产生的瞬态噪声电压,起源于电源负载电流的突变ΔiL。该电流变化是瞬时的,则因之产生的瞬变电压的幅值ΔuL是电源供电传输线特征阻抗Z0的函数。
Z0=(4)
ΔuL=ΔiLZ0(5)
为了减小ΔuL,必须使得Z0尽量低,由式(4)可知,要求Lt尽量小,Ct尽量大。为了减小Lt和增大Ct,供电母线应用矩形截面的导线,并使两条母线尽量靠近,用两条尽量宽的扁平印刷线。由于使用的是双面印刷板,电源线和地线平行布线,使两条功率线流过的电流方向相反,可以有效地减小感应磁通。同时也将其它正、负信号线分别布在印刷板的两面,设法使两个载流体导线彼此间保持平行,因为平行紧靠的正、负载流体导体所产生的外部磁场是趋向于相互抵消的。
对于元器件的放置,由于开关电源的辐射干扰(E)与电流通路中电流(I)的大小,通路的环路面积(A),以及电流频率(f)的平方等三者的乘积成正比,即E=I·A·f2。运用这一关系的前提是通路尺寸远小于频率的波长(此电路符合条件)。
利用上述关系式,减小通路面积是减小辐射干扰的关键。在此Buck电路中,应该使输入端电容、开关管、功率二极管彼此紧靠,且布线紧凑;同时使输出端功率二极管、电感、输出电容、采样电阻彼此紧靠。
另外,在布线时使开关管的漏极连线尽量短、粗,以减小导线的寄生电感。选择合适的滤高频电容(样机中使用了CBB电容),并使其尽量靠近MOSFET的漏极,电容引线尽量短,以减小导线电感。
根据以上的分析所得出的原则,实际设计的样机主功率PCB板如图10所示。
图10 Buck电路的PCB板
3 结语
开关电源电磁兼容设计的目的,就是使所设计的产品不但能在一定的电磁干扰环境中正常工作,而且也使产品自身所产生的电磁骚扰不影响其它设备的工作。本文通过各个方面的分析,总结出设计Buck电路电磁兼容的原则,并依此原则制造出试验样机,从而在实践的基础上说明了这些原则的可行性和正确性,为以后开关电源的电磁兼容设计提供了很好的经验。
