访问手机版页面
你的位置:老古开发网 > 其他 > 正文  
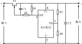
采用结型场效应管加大输入电压范围电路
内容导读:
采用结型场效应管加大输入电压范围电路 图 采用结型场效应管加大输入电

采用结型场效应管加大输入电压范围电路

图 采用结型场效应管加大输入电压范围电路

意,图4所示电路的输出电流主要取决于IDSS。一般而言,不要在回路中串联电流取样元件。当电源直接安装在电路主板上时,输出短路的可能性不大,所以输出过流保护不是十分必要。即使需保护电路,添加也十分方便。图7是在图3上加了最简单的恒流保护功能的电路图。

标签:效应管
来源: 作者: 时间:2009/7/20 15:31:00
相关阅读
推荐阅读
阅读排行
最近更新
商品推荐