摘 要:本文介绍了LVDS接口的基本原理和电特性,通过与其他接口技术进行对比,反映出LVDS接口在高速数据传输应用方面的优势,并结合实例指出了LVDS接口电路的设计原则。
关键词:低电压差分信号;电压摆幅;接口;驱动器;接收器
概述
LVDS接口又称RS-644总线接口,是20世纪90年代才出现的一种数据传输和接口技术。LVDS即低电压差分信号,这种技术的核心是采用极低的电压摆幅高速差动传输数据,可以实现点对点或一点对多点的连接,具有低功耗、低误码率、低串扰和低辐射等特点,其传输介质可以是铜质的PCB连线,也可以是平衡电缆。LVDS在对信号完整性、低抖动及共模特性要求较高的系统中得到了越来越广泛的应用。目前,流行的LVDS技术规范有两个标准:一个是TIA/EIA(电讯工业联盟/电子工业联盟)的ANSI/TIA/EIA-644标准,另一个是IEEE 1596.3标准。
1995年11月,以美国国家半导体公司为主推出了ANSI/TIA/EIA-644标准。1996年3月,IEEE公布了IEEE 1596.3标准。这两个标准注重于对LVDS接口的电特性、互连与线路端接等方面的规范,对于生产工艺、传输介质和供电电压等则没有明确。LVDS可采用CMOS、GaAs或其他技术实现,其供电电压可以从+5V到+3.3V,甚至更低;其传输介质可以是PCB连线,也可以是特制的电缆。标准推荐的最高数据传输速率是655Mbps,而理论上,在一个无衰耗的传输线上,LVDS的最高传输速率可达1.923Gbps。 
LVDS接口的原理及电特性
一个简单的LVDS传输系统由一个驱动器和一个接收器通过一段差分阻抗为100Ω的导体连接而成,如图1所示。驱动器的电流源(通常为3.5mA)来驱动差分线对,由于接收器的直流输入阻抗很高,驱动器电流大部分直接流过100Ω的终端电阻,从而在接收器输入端产生的信号幅度大约350mV 。通过驱动器的开关,改变直接流过电阻的电流的有无,从而产生“1”和“0”的逻辑状态。在有些最新生产的LVDS接收器中,100Ω左右的电阻直接集成在片内输入端上了,如MAXIM公司的MAX9121/9122等。
在LVDS系统中,采用差分方式传送数据,有着比单端传输方式更强的共模噪声抑制能力。道理很简单,因为一对差分线对上的电流方向是相反的,当共模方式的噪声耦合到线对上时,在接收器输入端产生的效果是相互抵消的,因而对信号的影响很小。这样,就可以采用很低的电压摆幅(见表1)来传送信号,从而可以大大提高数据传输速率和降低功耗。

表1是LVDS驱动器的主要电特性参数,

表2是接收器的主要电特性参数。
表3是LVDS与其他几种接口的性能比较。同为差分传输接口,LVDS与RS-422、PECL相比,在传输速率、功耗、接收灵敏度和成本等方面都有优越性;与传统的TTL/CMOS接口相比,LVDS在高速、低抖动及对共模特性要求较高的数据传输系统中的应用有着无可比拟的优势。LVDS的低功耗、低误码率、低串扰、低辐射和高速的性能,使得它在激光打印机、蜂窝移动电话基站、网络路由器、数字交叉连接和时钟分配系统等领域的应用日益广泛。LVDS接口电路的设计为便于LVDS接口电路的设计,有多家公司生产了专门的LVDS收发器芯片,如NI公司的DS90LV017A驱动器和DS90LV018A接收器、TI公司的SN65LVDS31驱动器和SN65LVDS32接收器、MAXIM公司的MAX9123驱动器和MAX9122接收器等等。不同的芯片又具有不同的电平兼容性,NI公司的DS90LV031/032采用+5V电源供电,可直接与TTL/CMOS信号接口。而MAX9123/9122则采用+3.3V的工作电源,可直接与LVTTL/LVCMOS信号接口,并且MAX9122的数据输入端直接集成了107Ω的终接电阻。设计LVDS接口,应注意以下几个问题:
1. 根据系统的工作电源配置情况和需要传输的数据电平,合理选用驱动器和接收器芯片,或者根据接口芯片的情况,对被传输的数据首先进行电平转换。如果是TTL/CMOS电平,可直接采用DS90LV031进行传输,在对端用DS90LV032进行接收。而如果传输LVTTL/LVCMOS电平的数据,就可以直接选用MAX9123/9122等低电压接口芯片。

2. 注意阻抗匹配。既要根据接收器输入端的情况确定是否需要外接100Ω终接电阻,同时,要根据PCB的板材和参数合理设计驱动器的线输出阻抗,使其在90~107Ω范围内。PCB传输线要尽可能地短,因为过长的线路,不但传输衰耗加大,降低了传输速率,而且阻抗也容易失配,并可能影响到信号的完整性。3. 根据数据传输速率和传输电缆长度的关系,确定合适的电缆长度以满足系统的要求。一般地,采用LVDS方式传输数据,假定负载电阻为100Ω,当双绞线长度为10m时,传输速率可达400 Mbps;当电缆长度增加为20m时,速率降为100 Mbps;而当电缆长度为100m时,速率只能达到10 Mbps左右。4. 多数LVDS接口芯片的使能端在片内没有接上拉或下拉电阻,如果没有驱动信号输入,它们会不确定地被直接与地或Vcc相连,有可能造成逻辑错误。所以,除非有特别说明,接口芯片的使能输入端不要悬空。
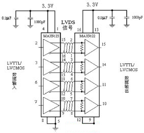
图2是采用MAXIM公司的一片MAX9123驱动器和一片MAX9122接收器设计的一个4通道LVDS点对点连接的单工接口。该接口工作电源为+3.3V,驱动器输入和接收器输出数据为LVTTL/LVCMOS电平。
MAX9123/9122是四驱动器/接收器芯片,采用表面封装形式、直通型引出脚,而且MAX 9122数据输入端内部并接有107Ω的电阻,不需要在电缆上再外接终端电阻了,这有助于简化pcb板设计和降低线间串扰。该接口采用实时传输(使能端接固定电平),传输速率最高可达500 Mbps。